1000A~2000A大电流真空接触器
CKJ40(Y)系列真空接触器是我公司根据市场需求开发出的新产品。真空开关管经过特殊设计,具备良好的散热性,可有效减少真空接触器通过大电流时产生的热量,避免由于开关管温度过高对配件的损坏,提高产品使用寿命,增加产品的可靠性。
CKJ40(Y)大电流真空接触器适用于主回路额定电压为2KV以下,额定电流从1000A至2000A的大电流负载中,作为主开关或旁路开关使用,有永磁结构和电保持两种,可使用于任何场合。
产品概述
CKJ40(Y)系列真空接触器是我公司根据市场需求开发出的新产品。真空开关管经过特殊设计,具备良好的散热性,可有效减少真空接触器通过大电流时产生的热量,避免由于开关管温度过高对配件的损坏,提高产品使用寿命,增加产品的可靠性。
CKJ40(Y)大电流真空接触器适用于主回路额定电压为2KV以下,额定电流从1000A至2000A的大电流负载中,作为主开关或旁路开关使用,有永磁结构和电保持两种,可使用于任何场合。
详细技术参数
参数名称 型号 | 1000、1250/1.14~2 | 1600/1.14~2KV | 2000/1.14~2KV |
主回路额定电压 (KV) | 1.14~2 | 1.14~2 | 1.14~2 |
主回路额定电流 (A) | 1000、1250 | 1600 | 2000 |
主回路关合能力 (A/100次) | 8000 | 10000 | 12000 |
主回路通断能力 (A/10次) | 8000 | 8000 | 8000 |
极限分断能力 (A/3次) | 10000 | 10000 | 10000 |
电寿命AC3 (万次) | 30 | 30 | 30 |
机械寿命 (万次) | 100 | 100 | 100 |
额定操作频率AC3 (Ops./h) | 200 | 200 | 200 |
触头开距 (mm) | 5±0.5 | 5±0.5 | 5±0.5 |
超程 (mm) | 2±0.5 | 2±0.5 | 2±0.5 |
二次控制电压 (V) | AC或DC:36/110/127/220/380或定制 | ||
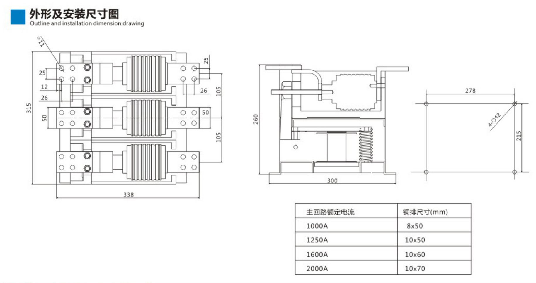
主回路额定电流 | 铜排尺寸 |
1000A | 8*50 |
1250A | 10*50 |
1600A | 10*60 |
2000A | 10*70 |


- 上一个:250A~1000A真空接触器
- 下一个:1250A-2000A低压大电流真空接触器



